The goal of this project is to implement MALIS as desribed first in:
The method was improved afterwards in :
We will implement both methods and will provide commented Jupyter Notebooks to both explain in detail every step of the process and also to ease the reproduction.
Here is a list of present notebooks and what you will find in them:
| Notebook name | Content |
|---|---|
| Training_MALIS | MALIS implementation and training (original method) |
| Training_Unet_MALA | improved MALIS implementation and training (more recent method) |
| Inference | Using a trained model to obtain a segmentation |
| Evaluation | Evaluation of a model on the CREMI dataset |
On this repository you will also find a document called Report.pdf which contains an explanation of the methods, of our implementation, and most importantly of of results.
The slides used for our oral presentation are also available as presentation.pdf. This presentation was recorded and is available here.
A small video presenting the project in a less technical fashion (in French) is also available here.
For this project, we used the following libraries :
- PyTorch for the deep learning aspect
- Higra for the parts requiring the use of graphs
- github/jvanvugt/pytorch-unet for our unet architecture
- github/cremi/cremi_python for the evaluation, we adapted the source code to python 3
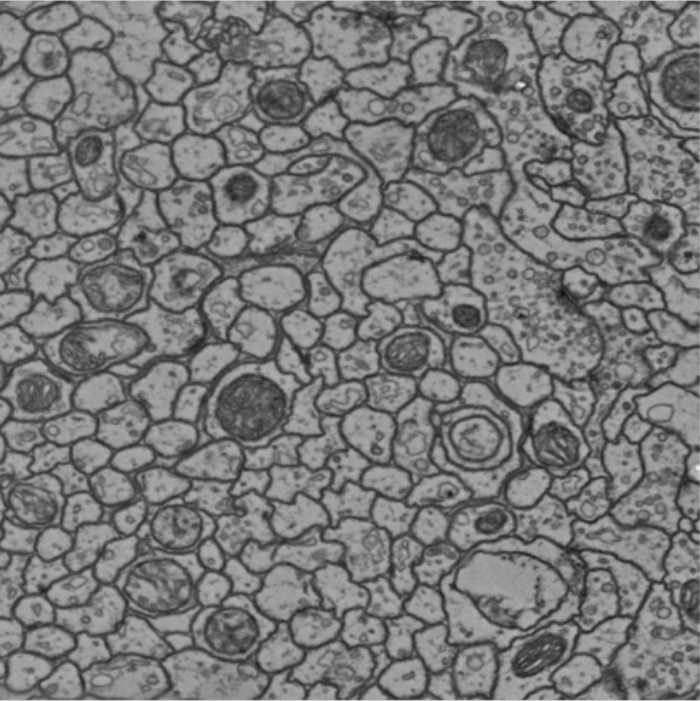
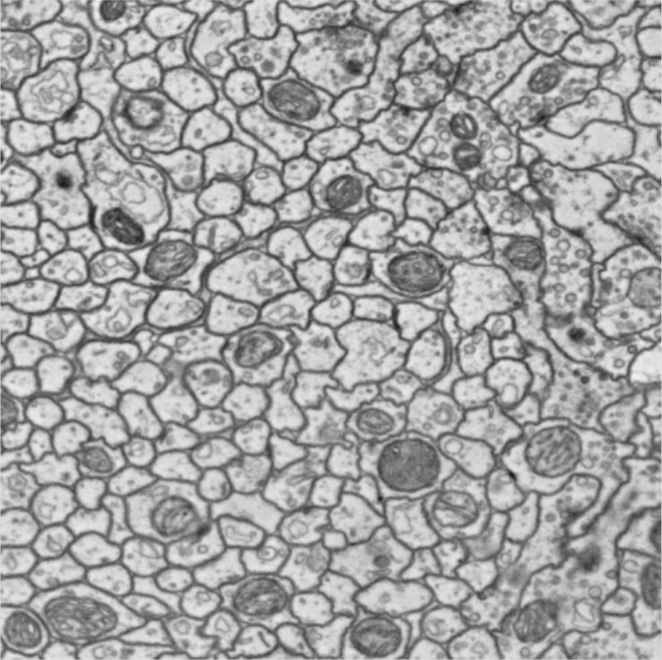
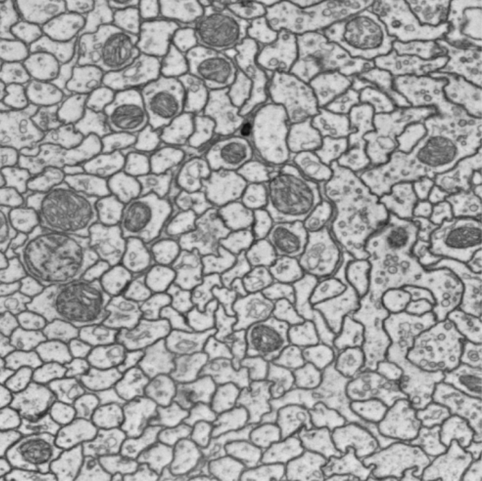
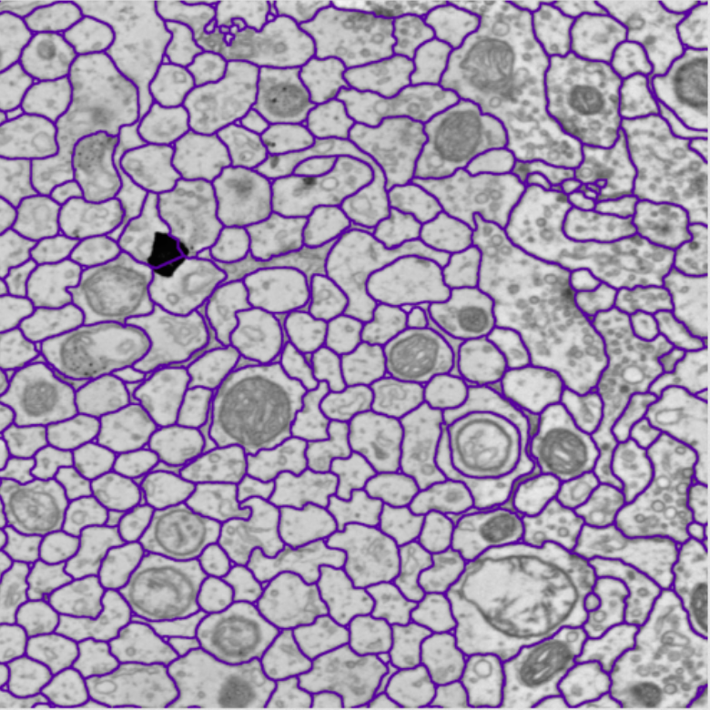
We applied the method on the CREMI dataset, which is composed of drosophilia brain images. We display cell borders and not the labels to ease the visualization
We got the following results when using a Unet with the constrained MALIS loss.
| Image | Raw image | Groundtruth | Our results |
|---|---|---|---|
| Image 1 | ![]() |
![]() |
![]() |
| Image 2 | ![]() |
![]() |
![]() |
| Image 3 | ![]() |
![]() |
![]() |
| Image 4 | ![]() |
![]() |
![]() |
This project was done throughout the year with the following team :
- Quentin GARRIDO (Team Leader)
- Tiphanie LAMY VERDIN
- Josselin LEFÈVRE
- Annie LIM
- Raphaël LAPERTOT (only for the second semester)
We were supervised by Laurent NAJMAN, who was of great help to us.











